Easy to Install, Bolt-On Trailer Jack Tilts Up when Not in Use.
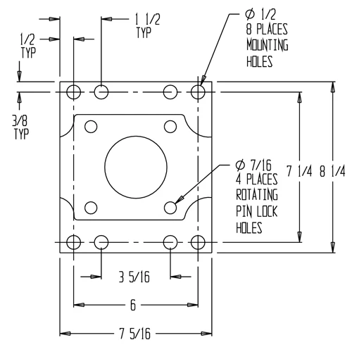
Universal Trailer Jack Stand helps support the tongue of your trailer when uncoupled from the tow vehicle. Swing-away design allows jack to be stored safely when the trailer is coupled to the hitch. Side-mounted crank with a comfortable grip easily raises and lowers the jack. 5″ hard rubber caster allows trailer movement when the stand is lowered. Galvanized steel construction resists corrosion. 8-1/4″ x 7-5/16″ mounting plate with 6″ or 3-5/16″ x 7-1/4″ bolt holes (center to center).


















Reviews
There are no reviews yet.